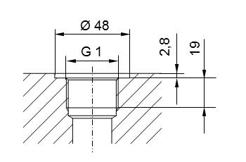
Rosca de tubo ISO 228 parte 1 - G1 para espigas roscadas según DIN 3852 parte 2, forma A (con anillo de sellado según DIN 3869) o forma B (con borde de sellado)
No utilizar sellador.