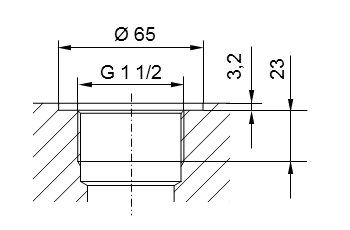
Rosca de tubo ISO 228 parte 1 - G1 1/2 para espigas roscadas según DIN 3852 parte 2, forma A (con junta tórica según DIN 3869) o forma B (con borde de estanqueidad)
No utilizar sellador.