Los cilindros hidráulicos en el sector de la fundición a presión están sujetos a requisitos especiales debido a las condiciones ambientales:
No importa en qué condiciones deba trabajar un cilindro hidráulico en sus instalaciones, nosotros lo hacemos posible. Con un sistema completo que se adapta a sus necesidades.
Hänchen tiene un amplio conocimiento del sector y le ofrece cilindros hidráulicos a medida para su máquina.
La columna de guía hidráulica es una columna templada exteriormente con un cilindro hidráulico integrado. De este modo, las cargas acopladas al vástago pueden guiarse y moverse con precisión, sin cargar el propio cilindro con cargas laterales.
Con la columna de guía hidráulica, se pueden conseguir dos funciones con un solo componente que ahorra espacio: el movimiento lineal de un cilindro hidráulico y la guía exacta de una columna redonda. Gracias a la superficie templada de la columna de guía, se pueden transmitir fuerzas de guía muy elevadas.
Cilindro diferencial con amortiguación final en ambos lados
Sistema de juntas cierre: Servocop®
PU/NBR para aceite hidráulico hasta 100°C
PU+/NBR para HFC hasta 60°C
FKM para temperaturas hasta 200°C
20MnV6 cromado y lapeado
42CrMo4V templado, cromado y lapeado
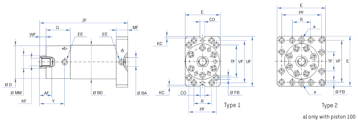
Cilindro: Brida rectangular lado del pistón,
Vástago: Rosca interna
según ISO 228
Posición de la conexión: lado del pistón y lado del vástago o ambos integrados en el lado del pistón
exterior: capa marginal templada 52 HRC, opcionalmente cromada
interior: lapeado
|
Pistón |
MM |
Carrera** | KF | AF mín. |
WF | ZF** | G | MF | BD f9 |
D | BA H7 |
Y | PL | EE |
| 80 | 50 | 430 | M 30 | 35 | 28 | 729 | 28 | 50 | 130 | 129,8 | 40 | 78 | 27 | G 3/4* |
| 100 | 60 | 250 | M 36 | 45 | 30 | 615 | 114 | 55 | 155 | 154 | 40 | 119 | 32 | G 3/4 |
| 100 | 60 | 400 | M 42 x 1,5 | 60 | 28 | 835 | 105 | 70 | 160 | 155 | 50 | 110 | 40 | G 3/4 |
| 125 | 80 |
400 |
M 60 x 2 | 55 | 42 | 949 | 154 | 70 | 180 | 179,8 | 50 | 162 | 33 | G 1 |
|
Pistón |
Brida |
UF | E | TF | VF | R | PF | CO -0,1 |
KF | FB | p max. |
| 80 | Tipo 1 | 185 | 130 | 155 | 122 | 60 | 102 | - | - | 19 | 160 bar |
| 100 | Tipo 1 | 225 | 155 | 150 | 190 | 64 | 118 | 25 | 5 | 21 | 200 bar |
| 100 | Tipo 2 | 255 | 250 | 70 | 170 | 100 | 204 | - | - | 26 | 160 bar |
| 125 | Tipo 2 | - | 255 | 70 | 210 | 100 | 210 | - | - | 26 | 160 bar |
Medidas en milímetros
* EE lado del vástago adicionalmente en la brida del lado del pistón
** Carrera y longitud de instalación diferentes
Los cilindros de macho son cilindros hidráulicos especialmente robustos, adaptados a los requisitos de las máquinas de fundición a presión.
Gracias al sistema de detección de posición montado externamente con interruptor de fin de carrera, ambas posiciones finales pueden posicionarse de forma flexible en cualquier posición. El sistema de detección de posición asegura que el vástago no pueda girar.
Un moderno sistema de juntas aumenta la vida útil de los cilindros.
Cilindro diferencial, opcionalmente con amortiguación final
Sistema de juntas cierre: Servocop®
PU/NBR para aceite hidráulico hasta 100°C
PU+/NBR para HFC hasta 60°C
FKM para temperaturas hasta 200°C
20MnV6 cromado y lapeado
42CrMo4V templado, cromado y lapeado
Cilindro: Brida de cambio rápido en el lado del vástago
Vástago: Muñones delanteros
según ISO 228
Posición de la conexión: lado del pistón y lado del vástago
hasta 160 bar
| Pistón Ø |
Vástago Ø |
Conexión | Purga | LB | a | d | C | b | c | c2 | c3 | l8 | l9 |
| 40 | 20 | G 1/4 | M 8 x 1 | 134 | 13 | 19 | 20 | 10 | 68 | 50 | 52 | 53 | 14 |
| 50 | 25 | G 3/8 | M 8 x 1 | 150 | 17 | 24 | 26 | 13 | 80 | 60 | 64 | 61 | 15 |
| 60 | 30 | G 1/2 | M 8 x 1 | 164 | 20 | 29 | 30 | 15 | 95 | 70 | 76 | 68 | 17 |
| 80 | 40 | G 1/2 | M 8 x 1 | 199 | 27 | 39 | 40 | 20 | 116 | 95 | 102 | 73 | 23 |
| 100 | 50 | G 3/4 | M 8 x 1 | 217 | 34 | 49 | 50 | 25 | 140 | 120 | 126 | 76 | 22 |
| 125 | 60 | G 1 | M 8 x 1 | 248 | 40 | 59 | 60 | 30 | 168 | 145 | 158 | 80 | 38 |
| 140 | 80 |
G 1 1/4 |
M 8 x 1 | 268 | 54 | 79 | 80 | 40 | 200 | 160 | 180 | 89 | 31 |
| 160 |
100 |
G 1 1/4 | M 8 x 1 | 302 | 67 | 99 | 100 | 50 | 220 | 190 | 202 | 91 | 50 |
|
160 |
120 |
G 1 1/4 | M 8 x 1 | 326 | 80 | 119 | 120 | 60 | 240 | 220 | 228 | 110 | 46,5 |
| Pistón Ø |
Vástago Ø |
z1 | MF | k | FB | UF | E | H | LF+ |
| 40 | 20 | 60 | 40 | 105 | 18 | 141 | 80 | 98 | 60 |
| 50 | 25 | 60 | 40 | 150 | 25 | 200 | 90 | 103 | 60 |
| 60 | 30 | 70 | 50 | 160 | 25 | 210 | 110 | 113 | 60 |
| 80 | 40 | 70 | 50 | 180 | 25 | 230 | 130 | 123 | 60 |
| 100 | 50 | 75 | 55 | 210 | 25 | 260 | 150 | 133 | 60 |
| 125 | 60 | 85 | 65 | 250 | 30 | 310 | 180 | 148 | 60 |
| 140 | 80 | 85 | 65 | 280 | 35 | 350 | 220 | 168 | 60 |
| 160 | 100 | 100 | 80 | 290 | 39 | 370 | 240 | 178 | 60 |
| 160 | 120 | 110 | 90 | 310 | 45 | 400 | 260 | 188 | 60 |
Medidas en milímetros