Superficies lapeado, precisión geométrica, larga vida útil. Desde las medidas y los accesorios de la norma correspondiente, estas serie convencen con los valores internos de Hänchen.
Con la típica calidad de Hänchen con elementos de cierre adaptados, estos cilindros normalizados cumplen con los máximos requisitos técnicos para accionamientos seguros y regulados de forma fiable. Los cilindros normalizados de Hänchen cumplen las medidas según DIN ISO 6020/6022.
Hänchen desarrolla y produce cilindros hidráulicos de alta calidad para los más diversos requisitos.

Existen numerosas normas para los cilindros hidráulicos: Las normas dimensionales deben garantizar la intercambiabilidad entre los fabricantes. Para los cilindros redondos, se aplican las siguientes normas: DIN ISO 6020-1, DIN ISO 6022. Las herramientas para cilindros normalizados, como por ejemplo las cabezas de rótula, se rigen por la norma DIN ISO 8132.
La norma de dimensiones describe, por lo tanto, las medidas de los cilindros normalizados, pero no la calidad o el material del cilindro hidráulico.
Ver también: https://www.iso.org
Consejo: Compare siempre las medidas norma entre los fabricantes, ya que la norma permite grandes tolerancias.
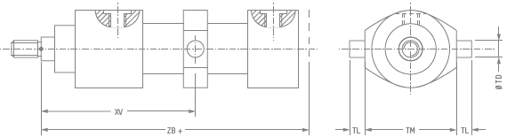
Comparativa de cilindros normalizados con las mismas medidas:
izquierda, cilindro hidráulico según ISO 6022 con amortiguación
derecha, cilindro hidráulico de la serie 550 sin amortiguación
Nuestros accesorios norma disponibles según ISO 8132 / 8133 y otras herramientas se encuentran en el configurador de productos HÄKO adecuado para el cilindro seleccionado.
Tipo de efecto: Cilindro diferencial | Sistemas de juntas: ejecución básica, Servocop®, Servofloat® | Velocidades: hasta 0,5 m/s | Carrera: 1 - 6.000 mm
Puede realizar el diseño hidráulico de los cilindros hidráulicos, así como la selección de los accesorios, válvulas y datos técnicos adecuados en nuestro configurador de productos HÄKO.
| Serie 160 DIN ISO 6020-1 |
Serie 550 DIN ISO 6022 |
||||
| Ø del pistón (mm) |
Ø del vástago (mm) |
Fuerza F1 | F2 (kN) |
Presión máx. (bar) |
Fuerza F1 | F2 (kN) |
Presión máx. (bar) |
| 25 | 14 | 7,9 | 5,4 | 160 | --- | --- |
| 32 | 18 | 12,9 | 8,8 | 160 | --- | --- |
| 40 | 22 25 28 30 |
20,1 | 14,0 --- 20,1 | 10,3 --- |
160 --- 160 --- |
--- 31,4 | 19,1 --- 31,4 | 13,7 |
--- 250 --- 250 |
| 50 | 28 30 36 40 |
31,4 | 21,6 --- 31,4 | 15,1 --- |
160 --- 160 --- |
--- 49,1 | 31,4 --- 49,1 | 17,7 |
--- 250 --- 250 |
| 60 | 40 50 |
--- --- |
--- --- |
70,7 | 39,3 70,7 | 21,6 |
250 250 |
| 63 | 36 45 |
49,9 | 33,6 49,9 | 24,4 |
160 160 |
--- --- |
--- --- |
| 80 | 45 50 56 60 |
80,4 | 55,0 --- 80,4 | 41,0 --- |
160 --- 160 --- |
--- 125,7 | 76,6 --- 125,7 | 55,0 |
--- 250 --- 250 |
| 100 | 56 60 70 80 |
125,7 | 86,3 --- 125,7 | 64,1 --- |
160 --- 160 --- |
--- 196,3 | 125,7 --- 196,3 | 70,7 |
--- 250 --- 250 |
| 125 | 70 80 90 100 |
196,3 | 134,8 --- 196,3 | 94,6 --- |
160 --- 160 --- |
--- 306,8 | 181,1 --- 306,8 | 110,4 |
--- 250 --- 250 |
| 140 | 100 | --- | --- | 384,8 | 188,5 | 250 |
| 160 | 90 110 |
321,7 | 219,9 321,7 | 169,7 |
160 160 |
--- --- |
--- --- |
| 200 | 110 140 |
502,7 | 350,6 502,7 | 256,4 |
160 160 |
--- --- |
--- --- |
F1 = fuerza a compresión al salir el cilindro | F2 = fuerza de tracción al entrar el cilindro