Con respecto a la Directiva de Máquinas de la UE, los controles hidráulicos deben diseñarse de tal manera que el peligro para las personas y el medio ambiente sea lo más bajo posible. Esto significa que la máquina o el accionamiento instalado en ella, además de su función técnica real, también debe cumplir con el nivel de seguridad especificado por el análisis de riesgos.
En las instalaciones hidráulicas, estas funciones de control se realizan mediante controles electrónicos en combinación con bloques hidráulicos. En estos bloques de control hidráulicos, las válvulas necesarias están alojadas de forma compacta.

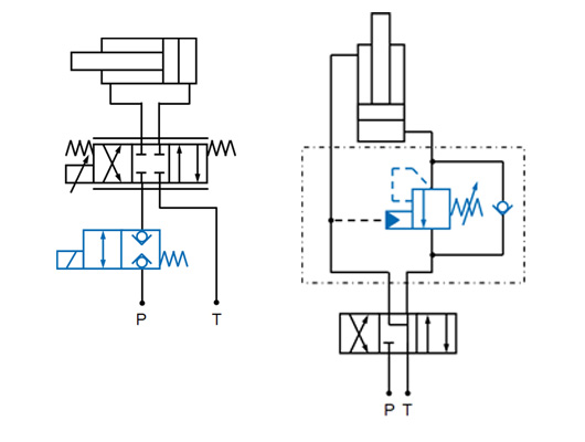
Esta función separa el accionamiento del suministro de presión. Esto se realiza con una válvula de bloqueo en la línea de presión P.
El ajuste de la velocidad de descenso puede ser necesario en algunos casos para proteger a las personas o los componentes. Esto se realiza con una válvula de freno de descenso (válvula de contrapresión) en la conexión de retorno.
Con alta dinámica, varias servoválvulas se interconectan a través de un bloque de conexión para permitir un alto caudal. A baja velocidad, solo se opera con una válvula pequeña. Esto se realiza con dos o más válvulas de regulación o de conmutación.
Cada bloque de control debe diseñarse individualmente para la aplicación correspondiente. Esta definición detallada la realizan los especialistas en bloques hidráulicos de Hänchen. A continuación, encontrará las posibles funciones que se pueden integrar en el bloque.
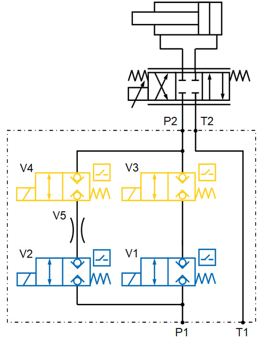
Además de la función técnica, las máquinas también deben cumplir los requisitos de seguridad especificados por la evaluación de riesgos para minimizar el peligro para las personas. Mediante una ejecución redundante, las siguientes funciones hidráulicas pueden utilizarse como funciones de seguridad para PLe:
En el modo de configuración, puede ser necesario reducir la velocidad para evitar peligros relevantes para la seguridad. Esto se realiza a través de un bypass con la válvula de bloqueo V2 y el estrangulador V5 y una válvula de bloqueo V1 en el caudal principal.
Al bloquear el aceite en las cámaras, la posición del cilindro se mantiene bajo fuerza. Esto se realiza con las válvulas de bloqueo V1 y/o V2 en las líneas A y/o B. En caso de que haya espacios de estrangulación en el consumidor, también deben cerrarse las líneas de aceite funcional.
Función de seguridad: Ejecución redundante de las válvulas de bloqueo monitorizadas en posición, conectadas en serie (V3 y V4)
Al realizar pruebas de materiales, debe garantizarse que las personas puedan trabajar con seguridad en el campo de pruebas y, por ejemplo, no sufran aplastamientos ni cortes. Para el control seguro del flujo hidráulico para PLd, se utilizan las siguientes funciones en un bloque de seguridad: